
Queensland’in kırsal bölgelerinden Banana şehrinde yer alan bir okul, girişinde sergilenen üç parmaklı ayak izleri bulunan kaya parçasını incelemesi için paleontolog Anthony Romilio ile iletişime geçti. Yapılan analizler, kaya üzerinde erken Jura dönemine, yaklaşık 200 milyon yıl öncesine ait onlarca dinozor ayak izi bulunduğunu ortaya koydu.
Sciencealert'in haberine göre, Queensland Üniversitesi’nden Romilio, keşfin Avustralya’da bugüne kadar belgelenen en yoğun dinozor ayak izi koleksiyonlarından biri olduğunu belirterek, “Bu fosil, dinozorların sayısı, hareketleri ve davranışlarına dair benzersiz bir görüntü sunuyor. O döneme ait fosilleşmiş dinozor kemiklerinin bulunmadığı düşünüldüğünde, bu bulgu daha da önemli hale geliyor” dedi.
KÖMÜR MADENCİLERİ BULDU, OKUL SERGİLEDİ
Söz konusu kaya parçası, 2002 yılında kömür madencileri tarafından bulundu. Üzerindeki sıra dışı izleri fark eden madenciler, bu fosili Queensland’in küçük kasabalarından Biloela’daki bir okula hediye etti. Kaya, okulun giriş bölümünde sergilendi ancak yıllarca gerçek değeri anlaşılamadı.
Romilio, araştırma sürecinde okulda bazı öğretmenlerin bu kayanın bir replikadan ibaret olduğunu düşündüğünü belirterek, “Herkes bunun bir dinozor ayak izi olduğunu biliyordu, ancak bir araştırmacının görebileceği detayları fark etmemişlerdi” ifadelerini kullandı.
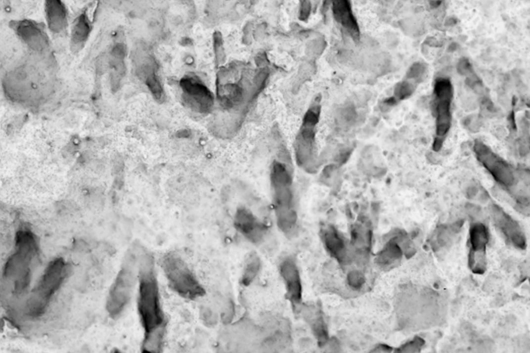
66 FARKLI AYAK İZİ TESPİT EDİLDİ
Araştırmalar sonucunda, yaklaşık bir metrekarelik kaya parçası üzerinde 66 ayrı dinozor ayak izi bulundu. Romilio, izlerin Anomoepus scambus adlı küçük, tıknaz ve iki ayak üzerinde yürüyen bir otçul dinozora ait olduğunu söyledi.
“Fosilleşmiş dinozor ayak izleri, aslında en yaygın dinozor fosilleri arasında yer alıyor. Ancak çoğu zaman araştırmacılar tarafından yeterince ilgi görmüyorlar. Fosil kemikler kadar dikkat çekici bulunmuyorlar. Oysa dinozor fosillerinin büyük çoğunluğu paleontologlar tarafından değil, sahadaki insanlar tarafından keşfediliyor” dedi.
BİR BAŞKA FOSİL DE OTOPARKTA BULUNDU
Romilio’nun bölgede yaptığı araştırmalar, yalnızca okulda değil, çevrede de dinozor fosillerinin bulunduğunu gösterdi. Bir kömür madeni otoparkının girişinde duran iki tonluk bir kaya parçasında da net bir dinozor ayak izi tespit edildi.
“Otoparka girerken çimlere araçların çıkmasını engelleyen bir kaya gördüm. Üzerinde apaçık bir dinozor fosili vardı. Gördüğüm an ağzım açık kaldı” ifadelerini kullanan Romilio, bulgularını Historical Biology adlı akademik dergide yayımladı.